本文摘要: 其实三星b309i指令大全的问题并不复杂,但是又很多的朋友都不太了解三星w2019指令,因此呢,今天小编就来为大家分享三星b309i指令大全的一些知识,希望可以帮助到大家,下面我们一起来看看这个问题的分析吧!
其实三星b309i指令大全的问题并不复杂,但是又很多的朋友都不太了解三星w2019指令,因此呢,今天小编就来为大家分享三星b309i指令大全的一些知识,希望可以帮助到大家,下面我们一起来看看这个问题的分析吧!
型号:sch-b309i数字移动电话机能放移动号用么
这个三星的功能机吧,此手机是电信版手机,只能使用电信卡,不能使用移动卡。
SIM卡被锁主要是PIN密码输入次数超过三次而不正确,SIM卡会自动锁了。这时如果知道PUK密码就可以输入,正确后就能解开SIM卡了。方法二:用软件解除密码 如果不知道或者忘了PUK密码,可以用手机解除SIM卡密码的软件强制解除密码,但该软件需要在专业网站上下载,操作难度比较高。
若设置的是图案/签名/指纹解锁方式,可使用绘制图案/签名或录入指纹时设置的PIN码进行解锁。1)图案/签名解锁:当输入多次不正确的解锁图案/签名时(一般为五次),屏幕右下角会提示“备份PIN”(忘记密码),输入之前设置好的PIN密码,点击确定即可。

三星直板手b309i怎么解密
若设置的是图案解锁方式,可使用绘制解锁图案时设置的PIN码进行解锁。操作:输入五次不正确的解锁图案,屏幕上会显示“请在30秒后重试“的提示信息,点击“确定“。点击屏幕右下角的“备份PIN“(忘记密码),输入之前设置好的PIN密码,点击确定即可。
若手机自行设置了密码,无法解开,建议携带三包凭证和手机到当地的三星服务中心解锁。
若设置的是图案/签名/指纹解锁方式,可使用绘制图案/签名或录入指纹时设置的PIN码进行解锁。1)图案/签名解锁:当输入多次不正确的解锁图案/签名时(一般为五次),屏幕右下角会提示“备份PIN”(忘记密码),输入之前设置好的PIN密码,点击确定即可。

怎样取消三星B309I中间的号码百事通
〖One〗、根据您的疑问,该功能是手机系统默认设置,不支持更改。
〖Two〗、尊敬的三星用户您好:非常抱歉,该选项取决于服务提供商所在地区默认选项,不支持更改。

三星b309i手机密码忘了能解锁吗
〖One〗、手机屏幕锁屏密码忘记,建议您借鉴以下内容:若设置的是图案解锁方式,可使用绘制解锁图案时设置的PIN码进行解锁。操作:输入五次不正确的解锁图案,屏幕上会显示“请在30秒后重试“的提示信息,点击“确定“。点击屏幕右下角的“备份PIN“(忘记密码),输入之前设置好的PIN密码,点击确定即可。
〖Two〗、手机屏幕锁屏密码忘记无法解锁屏幕,建议按照以下方式操作尝试:若设置的是图案/签名/指纹解锁方式,可使用绘制图案/签名或录入指纹时设置的PIN码进行解锁。
〖Three〗、若手机自行设置了密码,无法解开,建议携带三包凭证和手机到当地的三星服务中心解锁。
〖Four〗、如果正常,建议您携带身份证到sim卡运营商处解除sim卡锁定。如果还是提示uim密码,建议您携带包修卡,购机发票和手机到就近的三星手机客服检测手机。

三星b309i电信版怎样查询通话记录,急,谢谢哒
查询通话记录可以在手机的拨号界面查看。如果手机上的通讯记录删除,可以登录电信网上营业厅或者手机营业厅查看。
根据您的疑问,三星B309I手机支持使用电信170号段。
根据您的描述,建议您按照如下步骤尝试操作:重新开关下手机取出SIM,用橡皮清洁SIM卡金属触点。
根据您的描述,您可尝试以下操作:1)建议将SIM卡取出,使用橡皮擦拭一下SIM的芯片,然后将SIM卡重新插入到手机中。2)建议更换其他SIM卡尝试。若通过以上方法问题依然存在,请您带好三包凭证和机器送到三星服务中心,由工程师检查机器并处理。
您好,首先感谢您对中国电信的支持。根据您的描述:UC浏览器属于第三方浏览器应用,部分手机会预装,但大部分没有,如果喜欢这款软件,你可以自行下载安装。安徽电信爱家套餐火热来袭!只要每月花169元即可享受50M光纤宽带、10G流量、1000分钟免费通话、高清iTV1部,详情访问安徽电信网上营业厅。

三星sch-b309i手机解锁密码忘了怎么办
若设置的是图案/签名/指纹解锁方式,可使用绘制图案/签名或录入指纹时设置的PIN码进行解锁。1)图案/签名解锁:当输入多次不正确的解锁图案/签名时(一般为五次),屏幕右下角会提示“备份PIN”(忘记密码),输入之前设置好的PIN密码,点击确定即可。
请把手机数据在电脑上进行备份(电话簿、短信息、多媒体文档等)恢复到出厂设置请操作:设置 隐私权 恢复到出厂设置。或者 设置 重置 恢复出厂设置。或者 设置 我的设备信息 恢复出厂设置。或者 输入:*2767*3855# 然後按拨号键。
你可以自行下载安装。安徽电信爱家套餐火热来袭!只要每月花169元即可享受50M光纤宽带、10G流量、1000分钟免费通话、高清iTV1部,详情访问安徽电信网上营业厅。以上答复仅供借鉴,具体请询问10000,以安徽电信网上营业厅或营业厅公告为准。
您好!如果显示器显示n/a通常是无输入,可能是输入线故障或系统驱动问题。如果重启后没改善就找专业的吧。

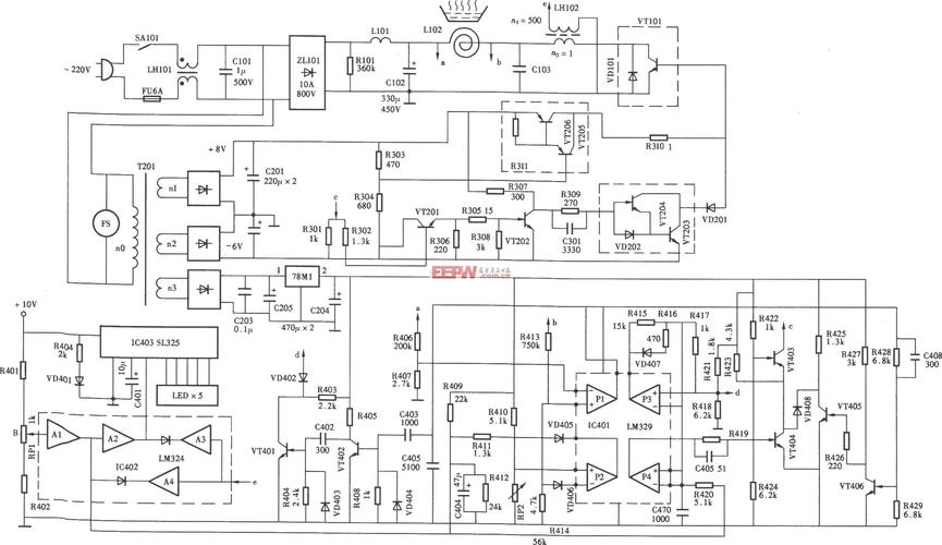
求三星SCH-B309i电路图
三星 B309I 手机在恢复出厂设置之前,请把手机数据在电脑上进行备份(电话簿、短信息、多媒体文档等)恢复到出厂设置请操作:设置 隐私权 恢复到出厂设置。或者 设置 重置 恢复出厂设置。或者 设置 我的设备信息 恢复出厂设置。或者 输入:*2767*3855# 然後按拨号键。
您好,首先感谢您对中国电信的支持。根据您的描述:UC浏览器属于第三方浏览器应用,部分手机会预装,但大部分没有,如果喜欢这款软件,你可以自行下载安装。安徽电信爱家套餐火热来袭!只要每月花169元即可享受50M光纤宽带、10G流量、1000分钟免费通话、高清iTV1部,详情访问安徽电信网上营业厅。
这个三星的功能机吧,此手机是电信版手机,只能使用电信卡,不能使用移动卡。
图案/签名解锁:当输入多次不正确的解锁图案/签名时(一般为五次),屏幕右下角会提示“备份PIN”(忘记密码),输入之前设置好的PIN密码,点击确定即可。2)指纹解锁:当通过指纹无法解锁时,屏幕下方会提示“备份PIN”,输入之前设置好的PIN密码,点击确定即可。
OK,本文到此结束,希望对大家有所帮助。
